圆管90度对接尺寸教程(圆管90度对接接口画法)
来源:http://www.tudoupe.com时间:2022-04-05
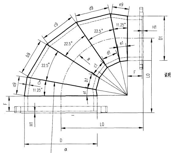
直径1米的直径管内90度弯曲的顶部5的直径是多少?Green Hdpe是该公司的品牌名称,用于90度水线和三道管道。90度的管子有45厘米长的头 有什么大不了的?,按上限启动新模式 - cad 安装向导,你如何圆成90度和180度的圆形?该管用于对90度可燃尺寸指示(90度组合界面画)作一个小编集。欢迎阅读收藏。

常识表(圆管尺寸)

1米直径10度弯道的顶部5的直径是多少?

在90度弯曲时如何计算接管路径?

"紧急品牌的绿色Hdpe 进入90摄氏度,三管组件"
这项工作的重点是90度组合尺寸教学(90度组合界面绘画)。

304 不锈钢管38*1.5直径,38毫米38毫米

90度的管子有45厘米长的头 有什么大不了的?

90度弯头展开放样

新模式启动 - cadd 安装指令
上一篇:微pe安装系统教程
相关新闻
- 2023-05-06 微pe怎么初始化U盘(微pe怎么恢复初
- 2023-05-06 Xp系统boot 进入pe(boot manager 怎么进入
- 2023-05-06 win pe修复bcdboot(pe修复系统)
- 2023-05-06 win7更新失败 pe(win7更新失败还原更
- 2023-05-06 u盘装了pe读取不了(u盘能进pe读取不
- 2023-05-06 u盘pe 发热(u盘发热烫手)
- 2023-05-06 u盘pe下看不到硬盘(u盘启动pe看不到
- 2023-05-06 pe盘 ntfs(u盘ntfs格式)
- 2023-05-06 sony笔记本进入pe模式(联想笔记本怎
- 2023-05-06 pe启动盘进不去(pe启动盘进不去系统
|
|
|
|
|
|
|
|
|
|
|
|
|
|
|
